 
 
 
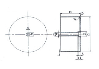
按圖示檢驗主要設計尺寸:H-5000
| 圖示代碼 | 設計尺寸 | 
| A | 40.00 | 
| B | 30.00 | 
| C | 250.00 | 
| D | 142.00 | 
| E | 19.00 | 
| F | 13.00 | 
| G | 50.00 | 
| H | 16.00 | 
| J | 3.00 | 
| K | R3 | 
| L | 12.00 | 
● 檢測工具:0.02卡尺或千分尺。
● 按圖示標注代號對照檢驗。
● 平面不允許有臺階,手感光滑無阻。無明顯翹曲。
● 外形無殘缺或破損,色澤正常無異。
● 無金屬雜質或其它雜物,含有金屬、雜物的產品,必須作廢品隔離。
● 無飛邊、毛刺及多余物質。
● 手感有強力彈性,且不脆裂。
● 選用原材料必須符合歐盟ROHS指令要求,并具有UL黃卡認證且定點供應。
● 熱變形溫度≥100攝氏度,阻燃性能UL94Vo級/0.8—3.2mm。
● 其它結構均應符合變壓器制造工藝為標準。
 浙公網安備33072602100115號
浙公網安備33072602100115號