 
 
 
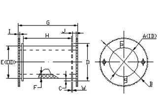
按圖示檢驗主要設計尺寸:R-08 內
| 圖示代碼 | 設計尺寸 | 公差 | 
| A | 16.00 | 最小值 | 
| B | 28.30 | 最大值 | 
| C | 1.80 | 最小值 | 
| D | 21.80 | 參考值 | 
| E | 18.20 | 參考值 | 
| F | 1.10 | ±0.10 | 
| G | 36.90 | 最大值 | 
| H | 29.20 | ±0.30 | 
| I | 1.30 | ±0.10 | 
| J | 1.80 | ±0.10 | 
| W | 1.00 | 參考 | 
● 檢測工具:數顯卡尺或千分尺。
● 按圖示標注代號對照檢驗。
● 出線槽數為5×2個,掛線鉤2個。
● 內孔A不圓度≤0.20mm,兩端滾齒平面的不平行度≤0.20mm,無明顯翹曲。
● 內孔孔吻合處不允許有臺階,手感光滑無阻。
● 外形無殘缺或破損,色澤正常無異。
● 光潔度達到▽7以上,但允許有無害傷痕及縮影。
● 無金屬雜質或其它雜物,含有金屬、雜物的產品,必須作廢品隔離。
● 無熔跡痕,無內在氣孔亮點。有氣孔亮點(不含熔跡痕)的產品作等外品。
● 無飛邊、毛刺及多余物質。關鍵部位毛刺≤0.05 mm。
● 抗壓力≥25公斤/平方厘米,不破損。
● 手感有強力彈性,且不脆裂。
● 硬度、耐磨性能均適合高速重負荷轉動。
● 選用原材料必須符合歐盟ROHS指令要求,并具有UL黃卡認證且定點供應。
● 熱變形溫度≥120攝氏度,絕緣電阻必須≥1000M歐姆,阻燃性能UL94Vo級/0.8—3.2mm。
● 其它結構均應符合變壓器制造工藝為標準。
 
 
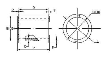
按圖示檢驗主要設計尺寸:R-08 外
| 圖示代碼 | 設計尺寸 | 公差 | 
| K | 22.00 | ± | 
| L | 28.00 | 最大值 | 
| M | 2.00 | 最小值 | 
| N | 24.00 | ± | 
| O | 1.00 | ±0.10 | 
| P | 32.70 | ± | 
| Q | 28.10 | ±0.30 | 
| R | 1.50 | ± | 
| S | 1.40 | ± | 
● 檢測工具:數顯卡尺或千分尺。
● 按圖示標注代號對照檢驗。
● 出線槽數為5×2個。
● 內孔K不圓度≤0.20mm,與內殼D尺寸配合松緊合適。
● 內孔孔吻合處不允許有明顯臺階,兩件裝配后平直無明顯翹曲,拼接縫≤0.20mm。
● 外形無殘缺或破損,允許在吻合處有無效缺損,色澤正常無異。
● 光潔度達到▽7以上,但允許有無害傷痕及縮影。
● 無金屬雜質或其它雜物,含有金屬、雜物的產品,必須作廢品隔離。
● 無熔跡痕,無內在氣孔亮點。有氣孔亮點(不含熔跡痕)的產品作等外品。
● 無飛邊、毛刺及多余物質。關鍵部位毛刺≤0.05 mm。
● 抗壓力≥25公斤/平方厘米,不破損。
● 手感有強力彈性,且不脆裂。
● 選用原材料必須符合歐盟ROHS指令要求,并具有UL黃卡認證且定點供應。
● 熱變形溫度≥120攝氏度,絕緣電阻必須≥1000M歐姆,阻燃性能UL94Vo級/0.8—3.2mm。
● 其它結構均應符合變壓器制造工藝為標準。
 浙公網安備33072602100115號
浙公網安備33072602100115號