 
 
 
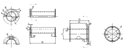
按圖示檢驗主要設計尺寸:R--20
| 圖示代碼 | 設計尺寸 | 公差 | 
| A | 19.20 | 最小值 | 
| B | 33.20 | 最大值 | 
| C | 5.80 | 最小值 | 
| E | 21.40 | ± | 
| F | 1.10 | ±0.10 | 
| G | 40.30 | 最大值 | 
| H | 34.20 | ±0.30 | 
| I | 1.40 | ±0.10 | 
| J | 2.20 | ±0.10 | 
| K | 2.60 | 參考 | 
| M | 5.00 | 最小值 | 
| R | 0.20 | 參考 | 
| W | 1.10 | 參考 | 
| Z | 參考 | 
● 檢測工具:數顯卡尺或千分尺。
● 按圖示標注代號對照檢驗。
● 出線槽數為4×2個。
● 內孔A不圓度≤0.20mm,兩端滾齒平面的不平行度≤0.20mm,無明顯翹曲。
● 內孔孔吻合處不允許有臺階,手感光滑無阻。
● 外形無殘缺或破損,色澤正常無異。
● 光潔度達到▽7以上,但允許有無害傷痕及縮影。
● 無金屬雜質或其它雜物,含有金屬、雜物的產品,必須作廢品隔離。
● 無熔跡痕,無內在氣孔亮點。有氣孔亮點(不含熔跡痕)的產品作等外品。
● 無飛邊、毛刺及多余物質。關鍵部位毛刺≤0.05 mm。
● 抗壓力≥25公斤/平方厘米,不破損。
● 手感有強力彈性,且不脆裂。
● 硬度、耐磨性能均適合高速重負荷轉動。
● 選用原材料必須符合歐盟ROHS指令要求,并具有UL黃卡認證且定點供應。
● 熱變形溫度≥120攝氏度,絕緣電阻必須≥1000M歐姆,阻燃性能UL94Vo級/0.8—3.2mm。
● 其它結構均應符合變壓器制造工藝為標準。
 浙公網安備33072602100115號
浙公網安備33072602100115號